固定式交流金屬封閉開關設備
特點:
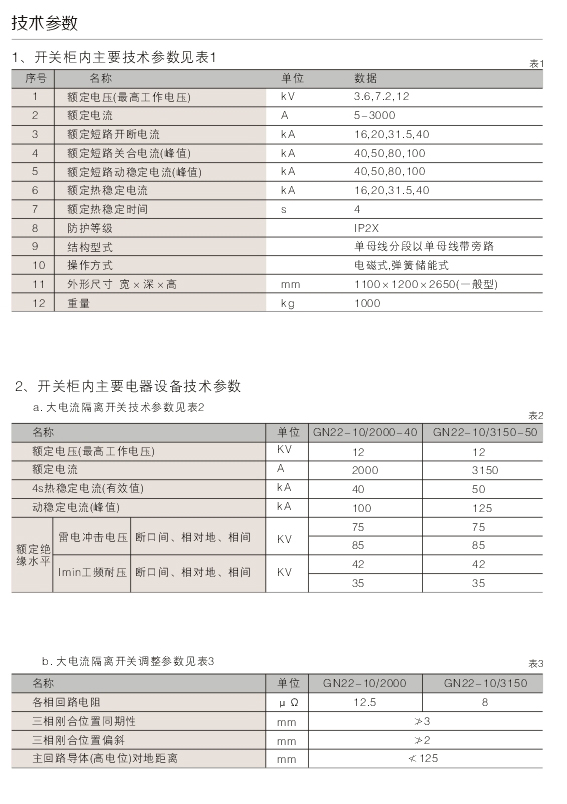
XGN2- 12(Z )箱型固定式交流金屬封閉開關設 備(簡稱開關柜),是按國家標準GB3906《3~35kV交 流金屬封閉開關設備》設計的,符合國際電工委員 會IEC298《交流金屬封閉開關設備和控制設備》標 準,滿足DL402、DL404標準,達到“五防”閉鎖 要求。
詳情介紹
型號:XGN2-12(Z)箱型固定式交流金屬封閉開關設備
高低壓成套開關柜的適用范圍
本產品適用于額定電壓為3.6~ 12kV、50Hz, .額定電流630~3150A三相交流單母線、雙母線、單母線帶旁路系統,作為接受和分配電能之用。可滿足各種類型發電廠、變電站(所)及工礦企業的使用要求。
高低壓成套開關柜的使用環境條件
1、環境溫度:上限+40C,下限-100C。
2、相對濕度:日平均值不大于95%;月平均值不大于90%。
3、海拔高度: 1000以下(超過時可與我公司協商);
4、地震烈度:小于8度;
5、無火災、爆炸危險、嚴重污穢,化學腐蝕及劇烈震動的場所。







固定式交流金屬封閉開關設備相關信息
看了又看